广泛用于发、输、配、用电等领域的电力电子基础科研平台你有了没?

2024-11-20

背景

能源的产生、传输与高效利用是人类面临的永恒问题,电力电子作为现代能源变换的核心部件和关键技术在近年来得到高度重视和发展,已经渗透到社会的方方面面。在学术界,电力电子技术一直是广大科研工作者研究的热门技术。

图片

电力电子在各方面应用(图片源自李崇坚老师报告)

简介

为了更好的服务科研用户,让用户从繁琐的硬件开发中解放出来,上海大周再次升级了dAC电力电子开发平台(以下简称dAC)。

dAC是针对电力电子算法开发与验证的科研平台,目的是提供一款成熟稳定、经过严格测试的硬件,让开发者将精力专注于算法设计和验证等软件技术上。

dAC采用普适的三相两电平拓扑,可广泛应用于新能源并网、储能、电机控制、无功补偿、电能质量、双向DCDC、柔性输配电、微电网、虚拟同步机等领域。产品开放编程端口,支持用户下载自研程序实现二次开发,是算法开发、打造物理样机的便利工具。同时,该产品也能够作为教学、培训、竞赛的载体,为用户快速掌握电力电子基本原理、操作及培训提供对象。符合“新工科”提倡的学科专业新结构,教育教学新质量,工程教育新理念,分类发展新体系,人才培养新模式的核心思想。

图片


图片


dAC外观图

拓扑图

图片

功能

定位:具备一定开放性的电力电子算法开发及验证平台,适用电力电子领域开发、验证、教学、培训

外形:模块化设计,外形美观,操作便捷,可独立使用也可集成在电气柜中

接口:丰富的外设接口,支持各类应用及二次开发

开放:控制板debug口开放,用户可下载自己程序

图片

预充电完成后空载启动波形

配置

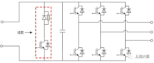
I.

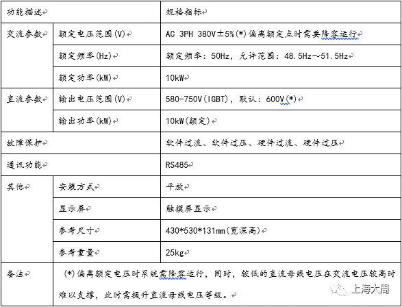
Type A 双向可控整流

图片

dAC(双向PWM整流)规格参数

II.

Type B 离网逆变

图片

dAC(离网逆变)规格参数

应用场景

dAC可用于新能源并网、储能、电机控制、无功补偿、电能质量、双向DCDC、柔性输配电、微电网、虚拟同步机等领域,具体应用场景如下:

1.   风电变流器(双馈及直驱)

配置2套 dAC:通过直流母线耦合实现背靠背应用,其中1套作为网侧变流器与电网连接,另1套作为机侧变流器与发电机连接。

功能:实现将不稳定风电转变为稳定、柔性可靠电能。

图片

dAC应用于双馈风电变流器

图片

dAC应用于直驱风电变流器

2.   电机控制器

配置1套 dAC :外部不控整流桥(用户外购)为dAC提供直流端电压,交流端输出接电机三相输入

功能:通过电压、电流、转速等变量的采集,实现对转速、转矩等目标的控制。

图片

dAC应用于电机控制器

3.   光伏逆变器

配置1套 dAC :直流端连接光伏阵列输出正负极,交流端经滤波后并网。

功能:通过对直流母线电压、电流及交流并网电压、电流等变量的采集,实现不稳定光伏能量的柔性并网。

图片

dAC应用于光伏逆变器

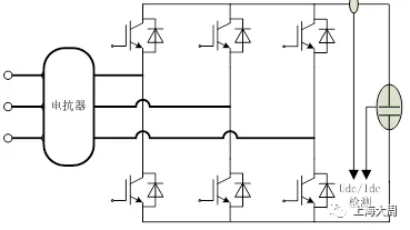
4.   PWM双向整流器(新能源并/离网逆变器)

配置1套 dAC :交流端通过电抗器与三相电网连接,直流端配置支撑电容用于稳定直流电压。

功能:依赖IGBT的全控特性,实现能量双向流动,直流母线电压稳定不随电网电压波动,交流侧谐波含量少。

图片

dAC应用于双向整流器

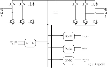
5.   双向直流变换器DCDC(隔离及非隔离)

配置1套 dAC :通过对设备外部附件(尤其是电感)的设计,将DCAC三相两电平拓扑转变为Buck/Boost双向DCDC。

功能:实现对直流系统的电压变换。

图片

dAC应用于双向DCDC

6.   数据采集及协议转换(电压\电流\存储\显示)器

配置1套 dAC :充分利用dAC丰富的数据采集及通讯能力,实现对运行数据的实时监控。

功能:将采集到的电压电流等数据经过处理,协议转换,与数据库,Labview连接,是泛在电力物联网的典型应用。

图片

dAC应用于数据采集及协议转换

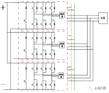
7.   变流器并联扩展

配置N套 dAC :多套dAC共直流母线,实现多个dAC并联扩容的。

功能:通过并联实现更大容量、更高电压等级的电能变换。

图片

dAC应用于多机并联

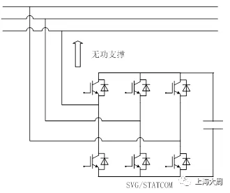
8.   无功补偿器SVG/STATCOM

配置1套 dAC :交流端通过电抗器与电网连接,直流端与支撑电容连接。

功能:根据实际需要迅速吸收或者发出无功功率,实现快速动态调节。

图片

无功补偿SVG/STATCOM

9. 虚拟同步发电机VSG

配置1套 dAC :直流端连接新能源发电或储能,交流端接入电网。

功能:让变流器模拟同步发电机运行特性,提供惯性与阻尼,用于解决大规模电力电子接入对电网的影响。

图片

虚拟同步发电机

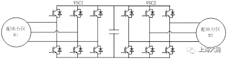
10. 配电网柔性开关SNOP

配置2套 dAC :通过直流母线耦合实现背靠背应用,其中一套实现定电压控制,另一套实现定功率控制。

功能:两套变流器分别连接至不同馈线,实现在特殊情况下功率在馈线之间的互相调度,SNOP是未来柔性城市配电的关键设备。

图片

配电网柔性开关SNOP

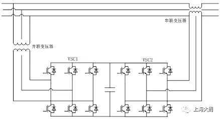
11. 统一潮流控制器(UPFC)与统一电能质量控制器(UPQC)

配置2套 dAC :其中一套通过变压器并联于电网,另一套通过变压器串联于电网,两套之间通过支撑电容实现背靠背。

功能:综合了串补与并补的优势,实现丰富的功能,包括电压调节、相角调节、线路阻抗补偿、动态潮流控制等。同样的硬件拓扑,将调整控制目标,即可实现对潮流或电能质量的控制。

图片

统一潮流控制器(UPFC)与统一电能质量控制器(UPQC)

12.   低压直流配电

配置2套 dAC :2套交流侧分别连接低压交流配电网的不同馈线,其中1套实现定电压控制,另1套实现定功率控制。

功能:通过背靠背双端供电实现低压直流配电,方便直流源储荷的接入。

图片

低压直流配电

典型案例

案例1:

该团队利用dAC进行永磁同步电机模型预测算法MPC的实验和优化,并在此基础上开展无速度传感器和无位置传感器控制实验。硬件开发工作量明显减小,实现了算法的快速验证。

图片


图片


案例2 :

该团队长期开展永磁同步电机调速算法的优化,通过我司dAC开发平台,实现了软硬件的无缝对接。用户基于MATLAB自研的自动代码生成套件,能够实现基于模型的设计(MBD)。

图片


图片


总结

国家明确重点支持电力电子技术和产业的发展,未来更多装置将在各行各业被广泛应用。希望通过这款基础硬件平台,帮助用户快速进行算法研究,加快电力电子技术创新。在科研兼顾的同时,展开本科教学,为国家培养更多电力电子领域创新人才。


分享