项目背景
2020年9月22日,中国国家主席习近平在第75届联合国大会上提出:“中国将提高国家自主贡献力度,采取更加有力的政策和措施,二氧化碳排放力争于2030年前达到峰值,努力争取2060年前实现碳中和。”
2021年10月24日,国务院印发2030年前碳达峰行动方案,内容提到加快建设新型电力系统,优化新型基础设施用能结构,采用直流供电、分布式储能、“光伏+储能”等模式,探索多样化能源供应,提高非化石能源消费比重。
随着电动汽车充电桩、分布式新能源、储能、柔性负荷等分布式资源不断发展,特别是整县光伏的大力推进,对现有台区运行控制、增容用电、资源互动等带来新的挑战。多台区柔性互联,是应用于大规模分布式资源接入台区的新型技术方法,可灵活实现不同台区的能量互济、资源共享以及直流配用电,提升台区对大规模分布式资源接入的适应能力。
项目简介
为了很好的解决现有台区分布式能源适应能力差,台区之间协调能力差等问题。本项目基于1套3端口直流电能路由器平台,配备能量管理系统和信息采集装置,搭建配电台区柔性互联平台,以灵活实现不同台区的能量互济、资源共享以及直流配用电,提升台区对大规模分布式资源接入的适应能力。
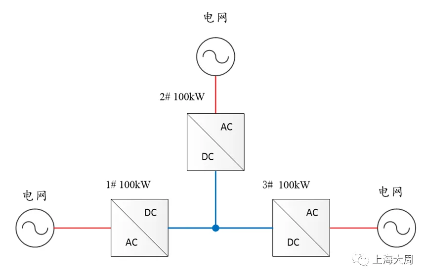
直流电能路由器包括3个交流端口(分别接电网端口1、电网端口2、电网端口3)。
电网接口1
能量双向流动,电压380V/50Hz,额定容量100kVA
电网接口2
能量双向流动,电压380V/50Hz,额定容量100kVA
电网接口3
能量双向流动,电压380V/50Hz,额定容量100kVA
项目拓扑图

项目功能特点
智能控制软件功能
具备显示界面web访问功能(在平板上可对设备进行操控);
具备开机后运行前的运行模式或者状态弹出窗口提醒,确认后方可运行,提醒内容包括设备实际动作后的电压、潮流分布预测,及相关的过压、过载警示;
具备手动设置运行参数后运行前的运行模式或者状态弹出窗口提醒,确认后方可运行,提醒内容包括设备实际动作后的电压、潮流分布预测,及相关的过压、过载警示;
实时显示数据和设备状态且提供ADS数据接口,可存储历史数据可存储不少于3年;
可与物管中心通讯工作,物理电气接口RS485 规约Modbus RTU标准,可上传含各变流器端口交流电压、交流电流、端口功率、直流电压、直流电流、直流功率及累计发电量,下发参数至少含并/离网模式、有功功率、无功功率定值,设备启停控制字;
外部其他设备的监视控制:融合终端、光伏逆变器、储能系统,进行监控,可对不少于10处融合终端、光伏(风电)逆变器、储能等设备进行监控,要求物理接口RS485;
电能路由器功能
变流器各端口可模式切换,默认端口1双向稳压模式,端口2、3并网功率模式。
可控制DCAC并网交流端电能质量,确保三端口变流器自身满足电网电能质量要求,同时可根据需要调节输出无功,在不超过额定容量范围内补偿交流侧无功。
3具备自动或接受上层指令切除的解列能力,保证功率输出为零。
项目运行策略
工作模式1:自定义模式(并网/离网模式)
工作模式2:台区功率柔性互济模式(并网模式)


界面仅供参考
项目现场照片


